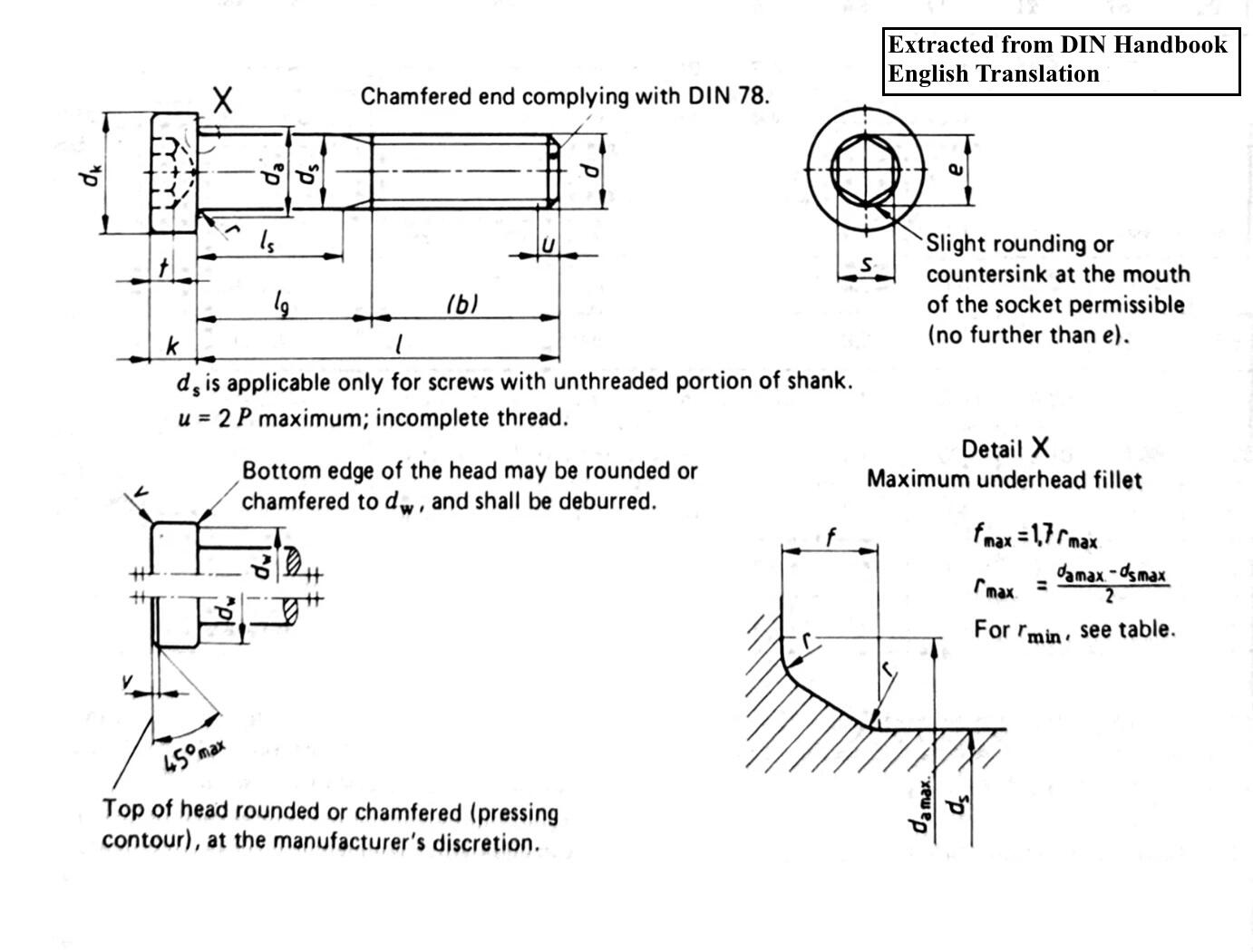
DIN 7984

a) 與 DIN 912 不同的是,DIN 7984 螺絲具有薄型頭部且同樣採用六角孔做驅動 (內六角薄頭螺絲), 公制螺紋, 其牙外徑尺寸可從 M3 到 M24

b) DIN 7984 螺絲具有較薄的頭部,因其設計使它們與材料表面齊平。然而,這種設計可能無法提供與 DIN 912 螺絲較厚頭部相同的扭矩傳遞能力,後者由於其較厚的圓柱形頭部形狀而設計用於處理更高的扭矩。 

 
Description 
MaterialStainless steel / Carbon steel class 6.8/8.8/10.9/12.9
Driving recess typeHexagon socket drive
Head TypeLow cylindrical head
Thread TypeMachine screw thread
Surface colorClean finish / Zinc finish
Type of thread locking patchNylon thread locking patch pink / red (approved source)
Type of endFlat end
Field of applicationElectronics / Furniture / General Assembly
Drive variationsHexalobular socket drive (6 lobe)
: